Eco-Play Robinia Hangmatschommel Openbaar








Heeft u een vraag over dit product?
Onze ervaren medewerkers helpen u graag.
Onze ervaren medewerkers helpen u graag.
Productspecificatie
Plus- & minpunten
- Robuust en duurzame constructie van Robinia hout
- Schommelhaken zijn voorgemonteerd
- Speelplezier voor meerdere kinderen tegelijk
- Gecertificeerd conform EN-1176
- Beton wordt niet meegeleverd
- Onder invloed van weersomstandigheden kan het hout scheuren
Benieuwd wat andere klanten vinden? Lees het hier.
Omschrijving
Eco-Play Robinia Hangmatschommel Openbaar
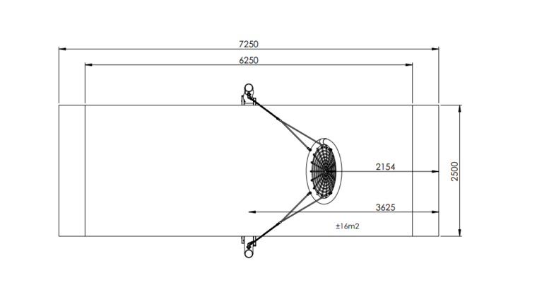
De Robinia hangmatschommel is een compacte maar uiterst duurzame vogelnestschommel die kinderen van 3 tot 15 jaar uitnodigt tot ontspannend en sociaal buitenspelen. Dankzij zijn doordachte constructie is hij niet alleen perfect voor speelpleinen met beperkte ruimte, maar ook ideaal voor inclusieve speelomgevingen waar toegankelijkheid centraal staat. De brede, comfortabele schommelkorf heeft een diameter van 125 cm en is gemaakt van gevlochten zes-ledig staalkabeltouw, wat zorgt voor een zachte maar stevige zit. De korf wordt via staalkabels en roestvastestalen (rvs) kettingen met dubbele ophanging bevestigd aan rvs, onderhoudsvrije schommelhaken. Dit systeem zorgt voor een stabiele en rustige schommelbeweging. De hangmatschommel wordt rechtstreeks met beton in de grond verankerd, wat resulteert in een permanent en robuust verankerde speelconstructie. Het toestel voldoet aan de strenge EN-1176 norm voor openbare speeltoestellen, wat betekent dat het voldoet aan alle eisen rond veiligheid, duurzaamheid en gebruiksvriendelijkheid.
Waarom ontstaan er scheuren in de houten palen?
Bij droog en zonnig weer krimpen de ronde palen in de richting van de jaarringen. Hierdoor ontstaan er automatisch oppervlaktescheuren. Bij regen verminderen deze scheuren weer. Rondhout barst nooit tot de kern. Hierdoor hebben deze scheuren geen invloed op de sterkte van de schommelpaal. Als je scheuren ziet komen in uw schommelpalen hoef je je geen zorgen te maken, dit is normaal bij dit natuurproduct.
Plaatsing
Wil je deze schommel door ons laten plaatsen in uw tuin? Onze specialist kan je verder helpen. Heb je interesse? Neem gerust contact met ons op voor de mogelijkheden.

Standaard meegeleverd
- Eco-Play Robinia Hangmatschommel
- Bevestigingsmateriaal & alle schommel toebehoren
- Montage handleiding
- Certificaat en logboek